Features:
Certificate: ISO
American Standard: ASME B16.5
EN / BS Standard: EN 1092-1 Type 12
Material -1: Carbon steel ASTM A105
Material -2: Stainless steel SS ASTM A182, SS 304 , SS 316
Flange Face: FF / RF
W.pressure: Class 150, Class 300 / PN10, PN6, PN25
Surface: Original / Black painting / hot dip galvanized
Slip on flange is different with WN flange. The inner diameter of the SO flange is bigger than pipe OD and the SO flange can slide over the pipe. It is to extend steel pipes, pipe fittings, etc. into the SO flange and then connect them through fillet welds.
American Slip On Flange (SO Flange) Class 150
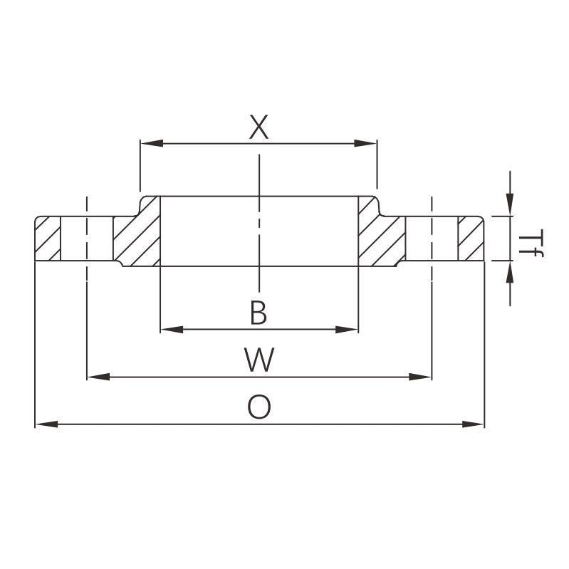
| SIZE | Rating class | Flange OD
O (mm) |
Bolt circle dia.
W (mm) |
Bolting
(No. x hole) |
Ref. weight
(kg) |
||
| NPS | DN | OD (mm) | |||||
| 1/2” | DN 15 | 21.3 | Class 150 | 90 | 60.3 | 4 x 5/8″ | 0.41 |
| 3/4” | DN 20 | 26.7 | Class 150 | 100 | 69.9 | 4 x 5/8″ | 0.59 |
| 1” | DN 25 | 33.4 | Class 150 | 110 | 79.4 | 4 x 5/8″ | 0.82 |
| 1-1/4” | DN 32 | 42.2 | Class 150 | 115 | 88.9 | 4 x 5/8″ | 0.99 |
| 1-1/2” | DN 40 | 48.3 | Class 150 | 125 | 98.4 | 4 x 5/8″ | 1.29 |
| 2” | DN 50 | 60.3 | Class 150 | 150 | 120.7 | 4 x 3/4″ | 2.02 |
| 2-1/2” | DN 65 | 73.0 | Class 150 | 180 | 139.7 | 4 x 3/4″ | 3.42 |
| 3” | DN 80 | 88.9 | Class 150 | 190 | 152.4 | 4 x 3/4″ | 3.89 |
| 4” | DN 100 | 114.3 | Class 150 | 230 | 190.5 | 8 x 3/4″ | 5.46 |
| 5” | DN 125 | 139.7 | Class 150 | 255 | 215.9 | 8 x 7/8″ | 6.24 |
| 6” | DN 150 | 168.3 | Class 150 | 280 | 241.3 | 8 x 7/8″ | 7.6 |
Note: For more available size and rating class, please download our catalog.
EN / BS Slip On Flange (SO Flange) PN16
| SIZE | Rating class | Flange OD
D (mm) |
Bolt circle dia.
K (mm) |
Bolting
(No. x hole) |
Ref. weight
(kg) |
||
| NPS | DN | OD (mm) | |||||
| 1/2” | DN 15 | 21.3 | PN16 | 95 | 65 | 4 x 14 | 0.72 |
| 3/4” | DN 20 | 26.9 | PN16 | 105 | 75 | 4 x 14 | 1.04 |
| 1” | DN 25 | 33.7 | PN16 | 115 | 85 | 4 x 14 | 1.25 |
| 1-1/4” | DN 32 | 42.4 | PN16 | 140 | 100 | 4 x 18 | 1.81 |
| 1-1/2” | DN 40 | 48.3 | PN16 | 150 | 110 | 4 x 18 | 2.06 |
| 2” | DN 50 | 60.3 | PN16 | 165 | 125 | 4 x 18 | 2.39 |
| 2-1/2” | DN 65 | 73.0 / 76.1 | PN16 | 185 | 145 | 4 x 18 | 2.97 |
| 3” | DN 80 | 88.9 | PN16 | 200 | 160 | 8 x 18 | 3.78 |
| 4” | DN 100 | 114.3 | PN16 | 95 | 65 | 4 x 14 | 0.72 |
| 5” | DN 125 | 139.7 | PN16 | 105 | 75 | 4 x 14 | 1.04 |
| 6” | DN 150 | 165.1 / 168.3 | PN16 | 115 | 85 | 4 x 14 | 1.25 |
Note: For more available size and rating class, please download our catalog.